Cleveland 21CET8 Steamcraft Ultra 3-Pan Electric Countertop Steamer - 240V, 1 Phase
Product Overview
- Fits three standard 12" x 20" x 2.5" deep pans
- Perfect size for supermarkets and 50-100 seat restaurants
- Brass jet system rapidly and efficiently circulates steam
- Instant steam standby mode holds generator at steaming temperature
- Cool-to-the-touch two-piece door design
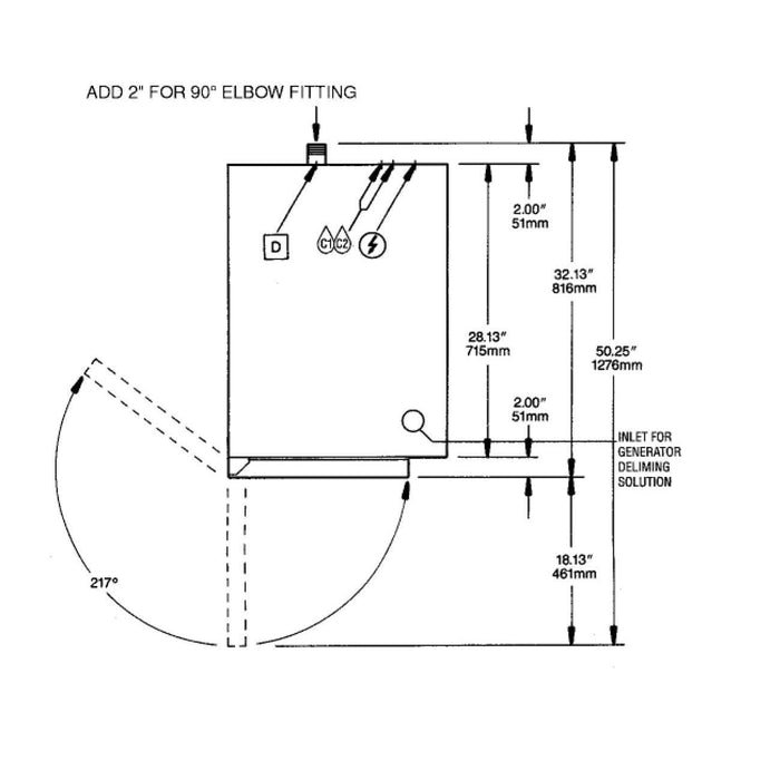
- Automatic water-level controls and easy access deliming port
- Durable 14-gauge stainless steel construction
- 240V / 60 Hz / 1 Phase
Description
Prepare high volumes of healthy and delicious steam cooked meals quickly and effortlessly with the Cleveland 21CET8 SteamCraft Ultra 3-Pan Electric Countertop Steamer.
Steam cooking is an excellent way to preserve the nutritional value of certain foods, and unlike deep frying and baking, it doesn’t require any additional oils and fats, making it a much healthier option. This compact unit is the perfect choice for restaurants with around 50-100 seats as well as deli and seafood departments in supermarkets.
The Cleveland countertop steamer uses a boiler-free steam cooking system that’s more efficient, produces more steam, and requires less maintenance. The innovative and insulated electric generator is mounted on the rear and features a large 3.5 gallon reservoir for rapid steam production. Unlike many standard convection steamers that use a fan system to distribute steam, this steamer uses an exclusive brass jet system to circulate a high volume of steam naturally. It features a standby mode, which holds the generator at a steaming temperature so you can start the cooking process right away.
The 21CET8 can fit up to three standard 2.5” deep steam pans, allowing you to easily keep up with busy food service periods. The steamer comes equipped with a 60-minute electro-mechanical timer, a switch for manual operation as well as an ON/OFF power switch. Removable stainless steel racks are also included and make it easy for the operator to load and unload trays of food.
This convection steamer is NSF certified and constructed out of a durable 14 gauge stainless steel. The cooking chamber is fully insulated with coved corners for distributing heat evenly as well as making it easy to clean. The compartment door is designed to stay cool on the outside while locking in the heat, thanks to the two-piece design.
Specifications
| Specifications | |
|---|---|
| Model | 21CET8 |
| Width | 21 inches |
| Depth | 32.37 inches |
| Height | 22.25 inches |
| Power Type | Electric |
| Voltage | 240V |
| Hertz | 60 Hz |
| Phase | 1 Phase |
| Amps | 34.6 Amps |
| Wattage | 8.3 kW |
| Pan Capacity | 3 |
| Number of Compartments | 1 |
| Water Connection | 3/4 inch |
| Material | Stainless Steel |
| Type | Convection Steamer |








